SKG09S-02A是一款低成本、高性价比的单北斗定位模块, 支持接收BDS B1I、 B1C等卫星信号。该模块尺寸小、集成度高且易于应用, 非常适合对成本要求高的 GNSS规模应用。
原理图参考设计
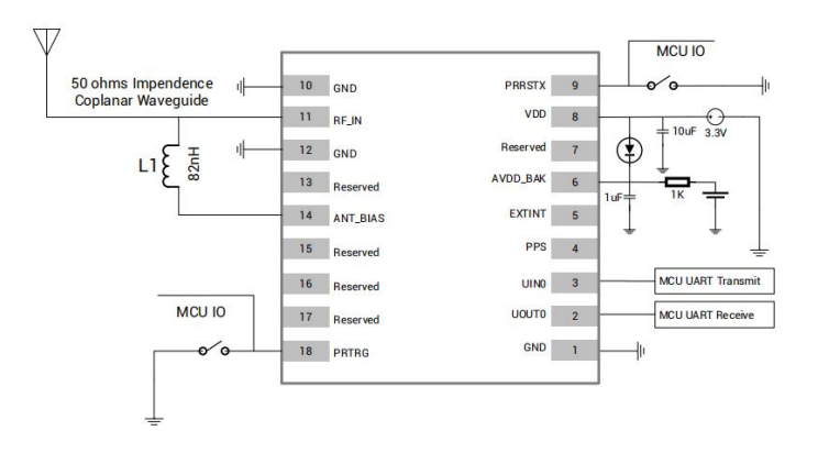
如下是本模块的基础参考设计,当需要使用有源天线连接时,请保证82nH电感处于贴片状态,用于给有源天线供电。当使用无源天线连接时,82nH电感可以不需要贴片。请保证从RF_IN端口到天线接口处的射频线的共面波导阻抗为50Ω。
注意:AVDD_BAK 不能悬空。在模组内部 AVDD_BAK 和 VDD 之间未设计二极管,用户可在模组外部 AVDD_BAK 和 VDD 之间外接一个二极管, 或外接一个电源给 AVDD_BAK 独立供电。

◆ 车载导航
◆ 两轮电动车
◆ 智能座舱
◆ T-BOX
◆ 定位器
◆ 物流跟踪


◆ 10.1mmx9.7mm 小尺寸、低功耗、低成本、高性价比
◆ 支持单系统独立定位和多系统联合定位
◆ 支持 A-GNSS 辅助定位功能
◆ 支持有源天线检测与保护
◆ 支持BDS B1I ,B1C
◆ 兼容主流 BDS模块,节省替换成本
◆ SMD表贴模式, 方便批量生产