蓝牙wifi二合一模块WG239是深圳市天工测控技术有限公司研发的一款WiFi+蓝牙组合模组,搭载ESP32-S3系列芯片。除具有丰富的外设接口外,WG239模组还拥有强大的神经网络运算能力和信号处理能力,适用于AIoT(人工智能物联网)领域的多种应用场景,例如智能家居、智能家电、智能控制面板等。
wifi蓝牙二合一模块WG239采用PCB板载天线和采用连接器连接外部天线。模组WG239有多种型号可供选择。其中WG239-H4的工作环境温度为–40~105°C。
附:
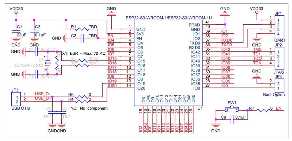
蓝牙wifi二合一模块WG239外围设计原理图

◆ 通用低功耗IoT传感器集线器
◆ 通用低功耗IoT数据记录器
◆ 摄像头视频流传输
◆ OTT电视盒/机顶盒设备
◆ USB设备
◆ 图像识别
◆ 家庭自动化
◆ 智慧楼宇
◆ 工业自动化
◆ 智慧农业
◆ 健康/医疗/看护
◆ WiFi玩具
◆ 可穿戴电子产品
| 硬件特性 | |
| 型号 | WG239 |
| 描述 | wifi蓝牙二合一模块 |
| 尺寸 | 长*宽*高:25.5 * 18 * 3.1mm |
| 芯片 | 内置ESP32-S3系列芯片,Xtensa®双核32位LX7微处理器 |
| ROM | 384KB |
| SRAM | 512KB |
| SRAM | 16KB |
| PS RAM | 最大8MB |
| WiFi参数 | |
| 无线标准 | IEEE 802.11b/g/n |
| 频率范围 | 2412~2484MHz |
| 传输速率 | 150Mbps(802.11n模式) |
| 蓝牙参数 | |
| 无线标准 | 蓝牙5.0 |
| 传输速率 | 125Kbps、500Kbps、1Mbps、2Mbps |
| 天线参数 | |
| 天线 | Wi-Fi与蓝牙共存,共用同一个天线 |
| 天线类型 | 板载PCB天线;通过连接器连接外部天线 |
| 接口 | GPIO、SPI、LCD、Camera接口、UART、I2C、I2S、红外遥控、脉冲计数器、LED PWM、USB 1.1 OTG、USB Serial/JTAG控制器、MC PWM、SDIO主机接口、GDMA、TWAI®控制器(兼容ISO 11898-1)、ADC、触摸传感器、温度传感器、定时器和看门狗 |
| 工作参数 | |
| 工作电压/供电电压 | 3.0~3.6V |
| 工作环境温度 | –40~85°C |
| 认证 | |
| 环保认证 | RoHS/REACH |
◆ WiFi+蓝牙二合一
◆ 基于esp32芯片方案开发
◆ 接口丰富
◆ 工业级工作温度范围–40~85°C
◆ 应用场景丰富
◆