产品中心
卫星导航模组
卫星通讯模组
卫星授时模组
Wi-Fi模组
蓝牙模组
天线产品
UWB模组
智慧方案
首页 - 产品中心 - 卫星导航模组 - RTK+惯导模组 / RTK高精度模组 - 双频车载组合惯导RTK模块SKG123NRD
双频车载组合惯导RTK模块SKG123NRD
双频车载组合惯导RTK模块SKG123NRD
双频车载组合惯导RTK模块SKG123NRD
双频车载组合惯导RTK模块SKG123NRD
双频车载组合惯导RTK模块SKG123NRD
0
/
0
RTK+惯导模组/RTK高精度模组

双频车载组合惯导RTK模块SKG123NRD

SKG123NRD是一款L1+L5 双频段、高精度、高性能的 GNSS 领域定位模块,模块能够同时支持 GPS、BDS、GLONASS、Galileo以及 QZSS 的卫星定位系统、并且支持 AGPS; 集成了高性能、高可靠性的定位引擎,可实现快速精确的GNSS定位 。

优势:L1+L5双频组合惯导模块,GPS/BDS+INS,厘米级定位精度
尺寸:16.0*12.2*2.4(mm)
模块介绍

SKG123NRD是一款L1+L5 双频段、高精度、高性能的 GNSS 领域定位模块,模块能够同时支持 GPSBDSGLONASSGalileo以及 QZSS 的卫星定位系统、并且支持 AGPS; 集成了高性能、高可靠性的定位引擎,可实现快速精确的GNSS定位。

SKG123NRD 提供 RTK 相位差分高精度定位和惯导定位服务,实现厘米级和惯导定位。 


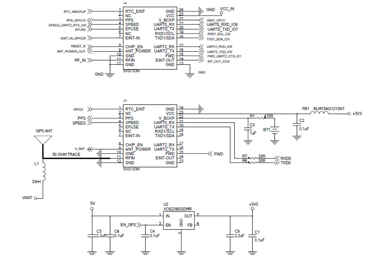
双频车载组合惯导模块SKG123NRD参考电路图

657bafa1c081d.png 

SKG123NRD支持RTK功能。为支持RTK 功能,该模块需要通过UART 接口接收RTK 正信息。RTK 校正信息可通过使用一个蜂窝模块或者其他地面网络技术传送。默认配置下,模块将基于接收到的校正数据尝试实现最优的定位精度。当模块接收到一条RTCM 信息流时,将进入RTK 浮点模式。一旦载波相位模糊度确定,模块进入RTK

定模式。RTK 固定模式下,模块可实现厘米级高精度定位。

KG123NRD模块支持DR 功能。模块可将卫星导航数据与车轮速度、陀螺仪和加速度计信息相结合,因此在车辆状态(如速度、前进方向或垂直位移)发生变化,甚至在卫星信号部分或完全受阻的情况下,仍能够在诸如隧道、城市峡谷等弱信号环境中实现连续、高精度的定位。








模块应用

◆汽车导航

◆车辆高精度RTK导航

◆车辆惯性导航

◆RTK高精度定位应用

◆授时应用

◆车辆远程监控


模块参数

极限参数

参数符号最小值最大值
单位
电源
供电电压VCC-0.33.6
V
输入输出
I/O特性VIO-0.33.6V
RF输入功率

RF_IN 


0

dBm 

静电保护

RF_IN 


2000V
环境
存储温度Tstg-4085°C
湿度

95%


模块特性

◆L1 支持GPS, GLO, GAL, BDS, QZSS 系统

◆L5 支持GPS, GAL, BDS, QZSS

◆支持SBAS(WAAS, EGNOS, MSAS, GAGAN)

◆支持RTCM(v2.3 和v3.3)

◆标准通信协议NEMA0183

◆支持AGPS: EPO, EASY, NVRAM, hotstill

◆极快的TTFF:冷启动<28s (CTTFF is 24s with GLO);热启动<1s

◆弱信号下具有较好的定位精度和位置有效性

◆符合RoHS, FCC, CE


产品视频

业务

咨询

联系

电话

热线

客服