SKM88是一款采用GNSS模块和GNSS天线一体化方案设计的高性能、多系统、L1+L5双频定位导航模块,模块能同时支持GPS、北斗、GLONASS、GALILEO和QZSS的卫星接收模块,RF信号应用于模块的天线输入,并且在具有NMEA协议或定制协议的串行接口处呈现具有位置,速度和时间信息的完整串行数据消息。L1+L5双频的定位使定位更快,精度更高,产品性能更可靠。
SKM88模块是基于单片架构的高性能GNSS单芯片,-162dBm跟踪灵敏度将定位覆盖扩展到城市峡谷和茂密的树叶环境中。该模组以其卓越性能,可以为车载和便携式手持等定位终端产品的制造提供了高灵敏度、高精度、低成本的定位、导航等解决方案,能满足专业定位的严格要求与个人消费需要。

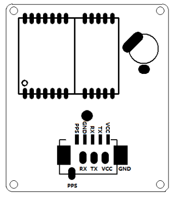
序号 | 名称 | 输入/输出 | 描述 | 备注 |
1 | VCC | P | 模块电源电压 | 工作范围: 3.3V to 5.5V |
2 | TXD | O | 串口数据输出 | 不用则悬空 |
3 | RXD | I | 串口数据输入 | 不用则悬空 |
4 | GND | G | 地 | |
5 | PPS | O | 时间脉冲信号1 (100ms) | 不用则悬空 |
LBS(基于位置的服务)
PND(便携式导航设备)
车辆监控
汽车导航
参数 | 描述 | 性能指标 |
接收类型 | GPS+GLONASS+GALILEO+BDS+QZSS | |
灵敏度 | 跟踪 | -162dBm |
捕获 | -148dBm | |
精度 | 定位精度 | <1.5m CEP50 without SA(Open Sky) |
漂移速度 | 0.1m/s without SA | |
首次定位时间TTFF | 冷启动 | 30s(Typical Open Sky) |
温启动 | 24s | |
热启动 | 1s | |
重捕获 | <1s | |
辅助gps | EPO | |
电源功耗 | 跟踪 | 53mA |
捕获 | 57mA | |
NMEA输出频率 | 默认1Hz | 最大10HZ |
使用范围 | 高度 | Max 18,000m |
速度 | Max 515m/s | |
加速度 | Less than 4g | |
BDS、GPS、GLONASS、Galileo、QZSS、SBAS多系统接收
超高灵敏度:-162dBm
NMEA协议(默认波特率:115200 BPS)
内部备用电池
嵌入式陶瓷天线25 x 25 x2mm和18 x18 x2.0mm
高级功能: Always Locate; EPO; EASY
工作温度:-40~85℃
符合ROHS、CE、FCC标准
尺寸:30*26*8mm