产品中心
卫星导航模组
卫星通讯模组
卫星授时模组
Wi-Fi模组
蓝牙模组
天线产品
UWB模组
智慧方案
时间:2016-10-28
发布者:天工测控
浏览数:4274
WU105在智能插座中的应用以及原理
基于WU105模块的智能插座可实现哪些功能?

       移动设备APP远程遥控应该是智能插座最大的特色,也是以后智能家居系统发展重要的一部分,SKYLAB WU105正是为满足这类应用而设计的。
       目前,智能插座已能实现部分的人机交互功能,如:通过微信等手机应用程序来远程遥控电视机、窗帘、音响、车库等,当然这里面就需要WU105来将插座直接连接用户手机,或者连接到网络端服务器。通过这样的方式,即便不在家,用户都可以轻松动动手指,远程完成开启空调、电水壶、电饭煲等操作。
       除了远程开关控制,智能插座还可以内置多种传感器,可以监控室内环境内的光线、温度、湿度、家庭用电量等数据,然后通过WU105将这些数据上传到到手机上,方便用户实时了解。

基于WU105的智能插座控制原理
       WiFi插座由WU105模块、继电器控制电路、继电器和输出触点构成,如图2所示。



图2:WiFi插座的构成

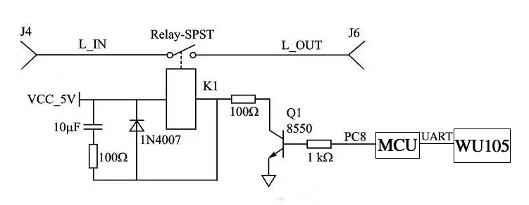
       WU105根据接收到的控制指令控制继电器的通断,控制电路如图3所示。
     

图3:WiFi插座的继电器控制电路


       MCU收到WU105模块传过来的合上指令,PC8端口输出高电平,Q1导通,继电器的线圈有电流流过,继电器的触点L_IN和触点L_OUT吸合,插座供电给负载;

       MCU收到WU105模块传过来的断开指令,PC8端口输出低电平,Q1截止,继电器的线圈没有电流,继电器的触点L_IN和触点L_OUT断开,插座断电。


业务

咨询

联系

电话

热线

客服